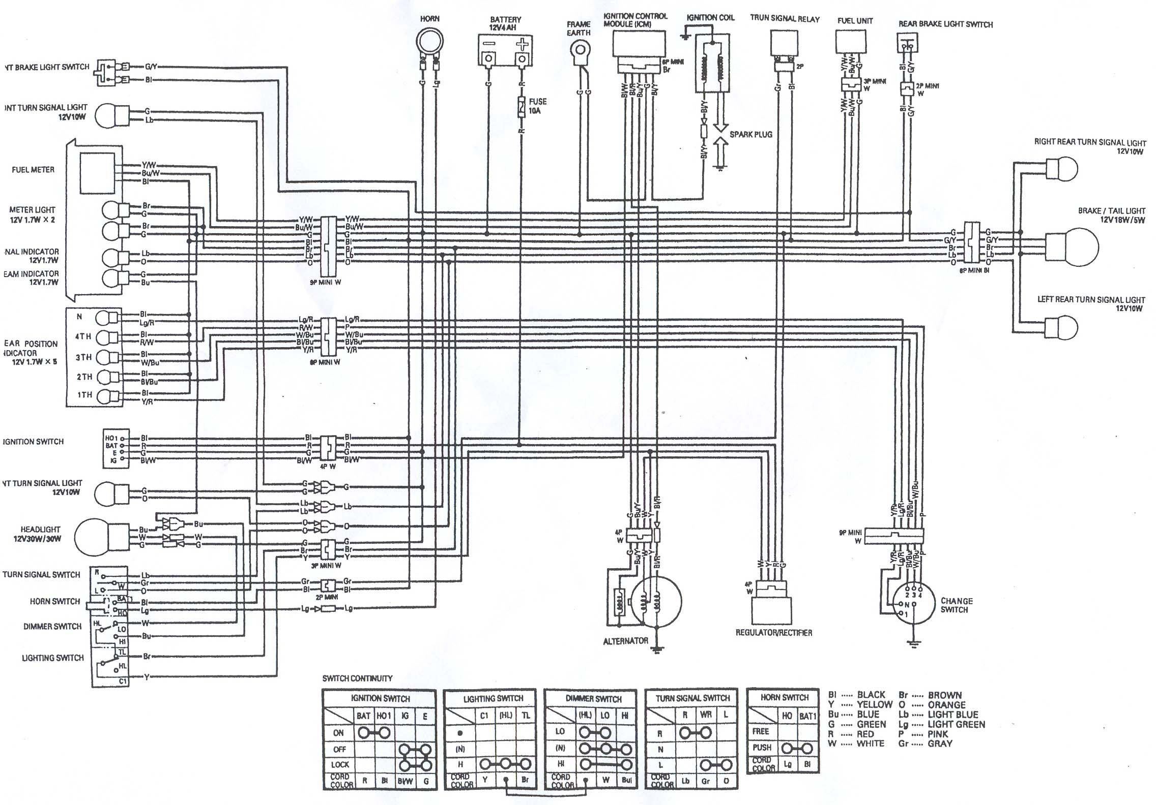
Return to HomePage