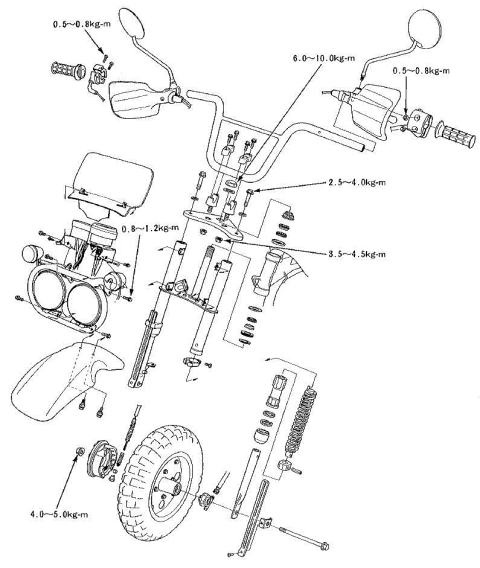
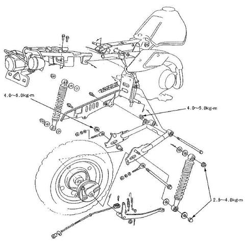
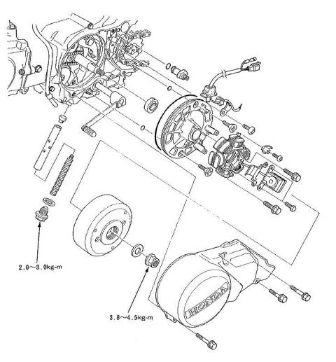
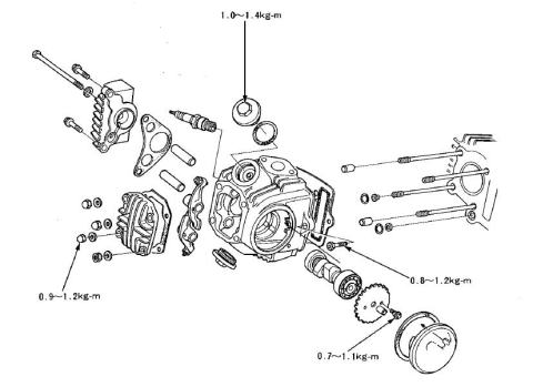
Monkey Torque Chart(without any responsbility) |
KA-HA-Trading GmbH, Rondenbarg 14, D-22525 Hamburg,
Germany
Mail: info@ka-ha.de
Return to HomePage
| STANDARD CONTROL TORQUE | ||||||||||||
| 5 MM, BOLT, NUT | 0,5 | KGF/M | 5 MM, SCREW | 0,4 | KGF/M | |||||||
| 6 MM, BOLT, NUT | 1,0 | KGF/M | 6 MM, SCREW | 0,9 | KGF/M | |||||||
| 8 MM, BOLT, NUT | 2,2 | KGF/M | 6 MM, FLANGE BOLT, NUT | 1,2 | KGF/M | |||||||
| 10 MM, BOLT, NUT | 3,5 | KGF/M | 8 MM, FLANGE BOLT, NUT | 2,7 | KGF/M | |||||||
| 12 MM, BOLT, NUT | 5,5 | KGF/M | 10MM, FLANGE BOLT, NUT | 4,0 | KGF/M | |||||||
|
|
|
![]() |
|
|
|
|
![]() |
![]() |
|
|
|
![]() |
![]() |
|
|
|
![]() |
![]() |
|
|
|